Services Provided
Electrical Shore Power Infrastructure Upgrades and Modifications
Square Footage
N/A
Description
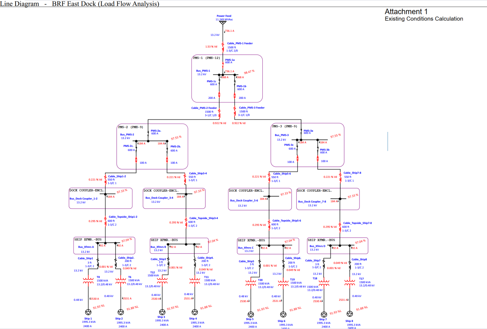
LTI Engineering performed an electrical power analysis to ensure the shore power distribution system was capable to serve additional ships and loading added to the site’s east dock. Required system upgrades and modifications were outlined and provided to the client. Additionally, a detailed cost estimate was provided which included the cost for all new required equipment (transformers, cabling, high voltage switches etc.) and labor.
Construction
Modifications & Upgrades
Work Samples





